目錄
**章 離心法發展史 1
第二章 流體及顆粒在離心立場中的運動 3
2.1轉鼓內液體的自由表面 3
2.2轉鼓內液體的壓力 4
2.3顆粒在離心力場中的運動——離心機分離性能預測 5
第三章 沉降離心機 9
3.1沉降式離心機工作原理 9
3.2沉降式離心機 10
參考文獻: 17
**章 離心法發展史
人類很早就發現,利用引力場可以分離不同分子質量的物質,并在淘金等技術中應用這種方法.利用引力場分離不同分子量的氣體已有近百年的歷史.早在1895年,德G的布雷迪克(Bredig)shou先利用這種方法分離了混合氣體。后來,當發現了元素存在不同的同位素以后,很快就有人利用引力場來分離了同位素。1919年,林德曼(Lindemann)和阿斯頓(Aston)指出:若在地面和三萬米的高空分別對空氣取樣,則樣品的氖同位素組成將有明顯差別。并認為在實際工作中**有希望的分離方法是采用氣體離心機,但是都未獲得成功。知道1934年,美G弗吉尼亞大學學者比姆斯(Beams)shou先研制成功了能分離氣體同位素的離心機,并實現了氯同位素的分離。**此,用離心機來分離同位素在理論和實驗上都初步得到了驗證。當采用離心法分離不同分子量的氣體時,其分離效應僅取決于兩種氣體分子量之差,而與氣體平均分子量的大小無關。也就是說,離心不像氣體擴散法等一些其他分離方法那樣,分離效應會隨著氣體平均分子量的增大而減小。因此擁立新發來分離同位素是特別適合的。在第二次世界大戰期間,一些G家開始研究生產核武器用的濃縮鈾的方法,離心法被公認為是一種有希望的方法。于是,離心法研究工作進入了分離鈾同位素的階段。shou先探索用氣體分離機來分離鈾同位素的是美G,在比姆斯研究工作的基礎上,他們改進了分離機,shou先實現了鈾同位素的分離。伺候,他們根據熱擴散等分離方法中提出了多極化原理,成功的研制了利用軸向逆流方式使分離效應得到倍增的逆流的離心機,使離心機取得了很好的分離效果。但是,由于工程技術上的原因,無論是單臺離心機的分離能力。還是離心機的運行可靠性,都還無法達到工業生產的要求,工作只停留在實驗室研究階段。
五十年代起,離心法分離鈾同位素的研究工作集中在離心機機型的研制方面,目前是研究滿足工業生產的具有一定分離能力的離心機。在這方面做出貢獻的主要是德G科學家,其中**的有蘇聯呢、聯邦德G和美G從事研究的齊佩(Zippe)和在伯恩大學從事研究的柏羅特(Groth)。他們分別研制成了兩種不同類型的分離機,在本節后面將對他們做專門介紹。其中齊佩研制的離心機**富有創造性,一起簡單而獨特結構滿足了工業用離心機長壽命低能耗的要求,吧離心法研究工作向前推進了一大步,為離心法在實驗室研究向生產規模做出了重要貢獻。
六十年代中期,由于核電站的迅速發展,對核燃料的需要量激增,加上齊佩離心機為了工業化奠定了基礎,分離法研究工作引起了更多G家重視,并有了很大的發展。研究的*域從單臺離心機逐漸擴大到級聯裝置和小型試驗工廠。在單機研究方面,為了增加分離能力采用了新的高強度轉子材料,是離心機在更高圓周運動轉速下運行,同時不斷增加轉子長度,這些為了離心法在工業應用創造了更有力的條件。在這個階段中,西歐的英G、聯邦德G、荷蘭三G處于**地位,它們于1974年分別創建了三座年分離功為二十噸左右的離心試驗工廠,成功生產了低濃鈾。
七十年代后期,離心法生產濃縮鈾開始進入成熟階段。離心機性能的不斷改進和試驗工廠的順利投產證明了離心法可以再經濟性方面與氣體擴散法相競爭,成為以工業規模生產弄所有的新方法。根據目前各G公布的計劃來看,在近期擬建的新濃縮鈾工廠中,英G、聯邦德G、日本等G都選擇了離心法。1980年英G、聯邦德G、荷蘭三G合作建成了兩座年分力功為200t離心示范工廠。到1985年這兩座工廠總的分離功已擴大到約1500t,計劃到八十年代末再把分離能力增加一倍。日本在建成離心實驗工廠,于1984年開始建設年分離功為200t的離心示范工廠。美G政府曾于1977年決定本G第四個濃縮工廠采用離心法。伺候,他們加強了離心法及有關技術的研究工作,于1983年建成了年分離量為23t的離心示范工廠,并繼續進行先進的大型離心機的研究工作。后由于激光分離法的進展和濃縮鈾大量過剩等種種原因,于1985年決定停建離心濃縮工廠。
在離心法分離鈾同位素的發展過程中,理論工作也占有相當重要的地位。早期在分離理論方面做出貢獻的有馬丁(Martin)、科恩(Cohen)等人。尤其是美G學者科恩,他以熱擴散柱分離理論為基礎,**早對各種類型離心機的分離性能進行了比較系統的分析,初步建立了離心法的基本理論。此后,離心分離理論的研究工作不斷深入、隨著離心法從實驗室向工業規模過度。近年來,有關離心法的研究報告陸續發表,大大擴展和豐富了離心分離理論的內容。
第二章 流體及顆粒在離心立場中的運動
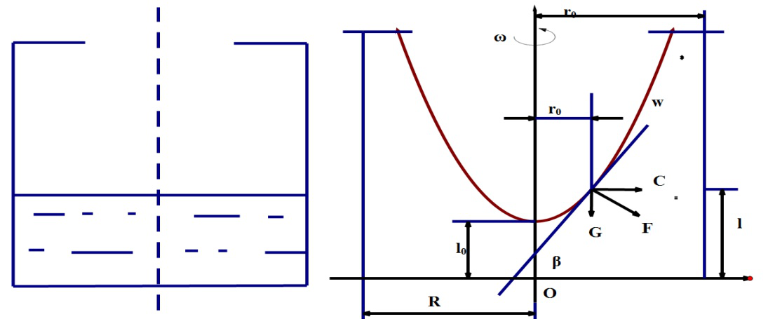
轉鼓內液體的自由表面#p#分頁標題#e#
離心機開動后,因轉鼓的帶動,使轉鼓內液體在受重力作用的同時,還受到離心力的作用,形成一個旋轉的自由表面(如圖)

a.靜止 b.低速
c.高速 d.忽略重力
在自由液面上任取一單元體(如b),其質量為dm,回轉半徑(所處徑向位置)為r
0,離鼓底的高度為l,設轉鼓的旋轉角速度為ω,則此單元所受的離心力C和重力G分別為:
這兩個力的合力F的方向應垂直于該點自由液面的切線,故:
積分,得
由此可見,液體的自由表面為一旋轉拋物面。
當轉速增大時,拋物面逐漸下凹,甚**可能< 0(如c);同時,周圍液體上升。因此,實踐中為防止液體溢出,轉鼓頂部應設一定高度的溢流堰,只讓一定量的液體(澄清液)溢出。
當轉速極大,以**重力相對于離心力可忽略不計時,則自由液面趨近于圓柱面,即r
0 = R
0 = (如d)。
2.2轉鼓內液體的壓力
在鼓內物料中任取一單元體或微分體積:
因其角速度ω旋轉運動,故旋轉產生的離心力為:
微分體積上壓力的徑向平衡條件為:
忽略二次項,化簡得
參考圖b沿徑向對上式積分,得
這是物料中某一徑向位置有離心作用產生的離心壓力,式中r
0為自由液面的徑向位置。由此可見,在水平面內,離心壓力是徑向位置的函數,在鼓壁處達到**大值:
另外,在一般情況下,由于隨軸向位置而變,所以沿鼓壁的不同高度處,鼓壁所受的離心壓力是不同的。由圖b可看出,當=0時,離心壓力達到**大值:
當< 0時,離心壓力的**大值發生在靠近鼓底的鼓壁上。
實際上,在離心機的正常操作條件下,因重力影響課忽略,所以r
0沿軸向課認為是常數,從而離心壓力沿軸向也可近似的看作常數。因此,上述情況(r
0常數)僅適用離心機的啟動、停車等非正常情況。
計算離心壓力的意義在于確定轉鼓的離心應力,同時,由于離心壓力是離心操作的驅動力,因此,離心壓力也是離心過濾操作的設計基礎。
顆粒在離心力場中的運動——離心機分離性能預測
離心機轉鼓的高速旋轉,帶動了轉鼓內液體和顆粒的高速旋轉,于是,顆粒就作離心沉降運動。在分析顆粒的運動的時,作如下解釋:
1、 由于離心力與重力之比(分離因素)很大,因而足以克服顆粒的布朗擴散力;
2、 雖然有些大顆粒可能

>1(即過渡區甚**湍流區),但它們往往總是以100%的效率被分離。也就是說,離心機的分離效率主要決定于小顆粒的分離特性。因此,離心機分離性能的分析是以小顆粒(即

<1)的斯托克斯沉降為基礎的;
3、 先以結構簡單的管式離心機(離心力和重力之比——分離因數很大)的分析著手,即重力影響忽略不計,鼓內液體自由面為圓柱面。這種分析方法,稍加修正就能用于其他類型的離心機;
4、 忽略干擾沉降;
5、 忽略哥氏力;
6、 除上述簡化外,忽略顆粒的加速時間,即假定顆粒加速到終了沉降速度是瞬時即達
雖然上述建設顯得有些過分簡化,但由于離心機內流動的低湍流特性,**后的分析結果還是能比較合理地反映離心機的性能。
這樣,顆粒的沉降速度(徑向)為:
其中:
式中

——離心加速度;

——顆粒所在的徑向位置
由式得
假定顆粒從某一徑向位置r開始沉降,一直到壁面,即徑向位置R,則顆粒完成沉降所需的時間為:
由上式知,顆粒完成沉降所需的時間是其徑向位置#p#分頁標題#e#

的函數。顆粒是否能完成沉降——達到徑向位置R,一方面決定于顆粒所處的其實徑向位置,另一方面還決定于顆粒在轉鼓內的允許的停留時間,或平均停留時間

。

怎么計算呢?shou先,為簡便起見,作如下假設:
1、 液體的軸向運動為柱塞流,即沿轉鼓橫截面的液流速度均勻分布,并忽略端效應的影響
2、 顆粒與液體具有相同的軸向速度
由圖可知,流體的通流面積為

(

-

)。若通過離心機的流量為Q,則流體的平均軸向速度為:
顆粒在轉鼓內的停留時間為:
式中

(

-

)

為流體的體積,成為轉鼓的有效容積,用

表示,則:
由上述可知,處理量Q越大,允許停留時間

越短。
顆粒從起始徑向位置走完分離區全長(軸向),剛好能沉降(徑向)到達鼓壁(對重分散相而言)的臨界條件為:
即
或
或
此式的物理意義為:時間常數為

的顆粒在允許停留時間

內完成沉降的**小起始徑向位置。起始徑向位置大于此值,則此顆粒不能完成沉降。因此,顆粒為x或時間常數為

的顆粒的粒級效率值可定義為半徑r與R之間的換裝液層體積占鼓內液體總體積的比值:
將式代入式得:
從上式可導出分割粒度

或分割常數

,令G(x)=0.5,得
由上式代入式,可導出管式離心機的生產能力,即
即
其中

,即在重力場下的終了沉降速度
由于式中的
計算不方便,人們利用對數函數的近似值:
得
若定義
則
這就是管式離心機的

常數,決定于離心機的操作參數和結構參數,其梁綱為面積(

)
對于圓錐形轉鼓的螺旋卸料離心機
對于柱-錐形轉鼓的螺旋卸料離心機
對于碟式離心機
式中

式為

理論的基本表達式,可用來預測離心機的性能,即處理量或分割粒度。預測的處理量即為對應于分割粒度

的生產能力。小于此流量,分割常數為

的顆粒大部分能完成沉降而被分離醋來;否則,分割常數為

的顆粒大部分不能完成沉降。利用

常數,可對幾何和動力想死的離心機(如同一類型的離心機)進行操作性能比較,或對同類型離心機作比例放大。設

或

保持不變,則由式可得
注意,不同類型的離心機之間的“橫向”比較或比例。
第三章 沉降離心機
沉降式離心機工作原理
離心機的長度和生產能力(進料量)要求固體顆粒有一**小沉降速度,稱需要速度,否則固體顆粒會隨液體一起溢出。同時,物料的特性及離心機的轉鼓半徑和轉速決定了固體顆粒的有效沉降速度,即有效速度。
3.1.1.需要速度
沉降式離心機簡要操作過程為:當轉鼓旋轉時,物料附于轉鼓內壁形成液環,稱液池;假設液池中夾雜量很少,固體顆粒一旦沉降**轉鼓壁就被卸去;另外,假設固體顆粒進入離心機后沿池深h均勻分布并沉降,而當顆粒沉降時,它必須通過h/2的徑向距離。
為保證固體顆粒不隨液體溢出,顆粒的滯留時間t給定一個有效沉降時間的上限。設物料在轉鼓內柱形流動,則:#p#分頁標題#e#
t=L/U二L(A/Q) (1)
式中,L為進料口**溢流口的距離(離心機沉降部分的長度),U為總體流速,由進料量Q(體積流量)和液環截面積A確定。已知顆粒沉降所需要的高度和滯留時間,為保證顆粒被卸去,則顆粒沉降的需要速度為:
V
s(req)= (h/2)/t=(1/2)(h/L)(Q/A) (2)式(2)表明了沉降式離心機與普通重力沉降器的等效性。因LxA是液池的體積,h是池深,故LxA/h近似為液池的“截面積”。在沉降過程中,顆粒通過該面積降**轉鼓壁。因此,式(2)即為沉降表面積除以進料量,是沉降方面很常見的公式。
3.1.2有效速度
斯托克斯(Stokes)公式是沉降方面**有用的關聯式。該式導出了單個顆粒在粘度為μ的無限流體介質中的臨界沉降速度,顆粒的凈重(扣除浮力)與粘性阻力平衡。該沉降速度V
s為:
V
s=(△ρ/18μ)gd
2 (G/g) (3)式中:d---顆粒直徑,m
Μ---粘度,kg/m·s
△ρ---顆粒與流體的密度差,kg/m
3
g一重力加速度,m/s
2,取9.8
G/g由下式確定:
G/g= /g (4)式中:---轉鼓轉速,r/s
---轉鼓半徑,m
式(4)為離心加速度與重力加速度的比值。對于重力沉降,比值為1,對于離心沉降,該比值取決于轉鼓半徑和轉速。若直徑1μm顆粒在水中重力沉降,顆粒與水的密度差大約5%,則其沉降速度相當小,僅為0.0001cm/s。如果該顆粒在轉鼓轉速為3000r/m,直徑為60.96cm的離心機中沉降,則離心加速度G約是重力加速度的3000倍,由式(3)得其沉降速度為0.03cm/s。該有效速度為工業生產的實際值,大于前述的0.05cm/s的需要速度。
3.1.3需要速度和有效速度的合成
令式(2)等于式(3)并整理,得Q=2V
s(lg)() /g)(LA/h) (5)式中,V
s(lg)為重力沉降速度(稱Stokes沉降速度);為轉鼓和液池的平均半徑。式(5)表明,沉降式離心機的進料量隨重力沉降速度,離心作用強度G/g和沉降表面積的增大而增大。對對轉鼓為圓柱形的離心機,其沉降表面積A和池深h為:
A=π(-) (6a)
h=- (6b)
式中,和分別為轉鼓和液池的半徑。將式(6)代入式(5),得
Q=2V
s(lg)×(/g)x2πL (7)
Q=重力沉降速度x G x表面積
上述關系精確地基于極限軌跡原理和斯托克斯定律。對于不同幾何形狀的離心機,同樣可導出該關系式,總之,進料量與顆粒沉降特性,G和表面積有關。式(7)與實驗(如現場試驗)存在著差異,這是因為公式中未考慮綜合因素。其中二個主要因素是:(1)復合向心力的作用,顆粒大小分布,滯沉降和顆粒形狀,(2)流體動力學的作用,對連續式離心機應值得考慮。
沉降式離心機
3.2.1單鼓式沉降離心機
1.撇液式離心機
機構:如圖所示,撇液式轉鼓離心機主要有轉鼓(長徑比約為0.6)、撇液管和刮刀組成。
工作流程:進料料液由上部引入,加到鼓底處。清液通過溢流堰溢出。靠近沉淀層的清液由撇液管吸出。固體的排出決定于其流動性。軟的或塑性固體在全速轉動時由撇液管吸出。粗的或纖維型固體用刮刀在低速刮下,然后經鼓底出口落下卸出(鼓底開口)。
由于液料加入后往往不在整個流通截面上均勻流動,而趨向在自由液面附近的液層流動——表面流動。這會導致流速加大,停留時間縮短,對分離不利。因此,有的設計在轉鼓內加了特殊的擋板,限制這種流動。
撇液式轉鼓離心機通常用于在質量濃度為3%~5%料漿的脫水和從廢液中回收固體,處理量6~10m#p#分頁標題#e#
3/h,轉速范圍450~3500r/min。
2.管式離心機
結構:如圖所示,管式離心機主要結構特點為細長無孔轉鼓(直徑70~160mm,長徑比4~8),懸掛于離心機上端的橡膠撓性驅動軸上,其下部與中空軸連接,中空軸**于機殼底部的導向軸襯內。
工作流程:物料經下部一固定的進料管進入底部空心軸,而后被導入鼓底,由于鼓內十字形擋板的作用,加速**轉鼓速度發生沉降。管式離心機可用于液-液分離和固—液分離。對于液—液分離,輕液通過驅動軸周圍的環形擋板環溢流而出,重液則從轉鼓上端排除。轉鼓上端裝有可更換的不同內徑換裝隔液環來調節輕重液的分層界面。由于液—液混合物沒有流動性問題,因此由于液—液分離的管式離心機為連續操作。對于固—液分離,由于固相沉淀物流動性差,只能采用間隙式操作。固相出口必須關閉,停車拆下轉鼓進行清理。否則,固體越積越多,流通截面減小。流速加快,停留時間減小,會降低分離效率。
為了避免過分頻繁的清洗,管式離心機通常用于處理含固量小雨1%的懸浮液。在生產過程中為了保持連續處理,采用兩臺離心機交替使用。
優點:1平均允許停留時間要比同體積的轉鼓式離心機的長;2分離能力大;3結構緊湊和密封性好;
缺點:1容量小;2分離能力較碟片式的低;3固—液分離只能為間隙操作。
3.螺旋卸料式離心機
1螺旋式卸料離心機的形式
螺旋卸料式離心機,根據主軸方位分為臥式和立式兩類,但以臥式為主,簡稱“臥螺”;按功能或用途,螺旋卸料式離心機可分為脫水型、澄清型、三相分離型和分級型等幾類;按轉鼓內流體與沉渣的流動方向可分為逆流式和并流式兩種。

螺旋卸料式離心機,轉鼓圓錐形或柱—錐形,螺旋卸料器;進料管為螺旋輸送器的空心軸,在此空心軸上某一軸向位置(偏向底流口)開有進料口;溢流口(若干個溢流孔)在轉鼓的大端,底流口(排渣孔)在轉鼓的小端。
立式螺旋卸料離心機其結構特點為整個機體為立式,上部驅動,下面進料、排渣、上面排液;澄清區和干燥區的長度可通過環形溢流堰調節;濾餅可洗滌;離心機裝有轉矩超載安全裝置,以保護減速器。電機通過皮帶輪帶動轉鼓轉動,轉鼓再通過行星齒輪減速帶動螺旋輸送器轉動。物料通過加料管進入轉鼓中部,液體沿螺旋上升流動,由調整液層厚度的可調式溢流擋板孔溢出。沉降于轉鼓內壁上的沉渣由螺旋輸送器推向卸料口卸出,立式螺旋卸料式離心機的型號及主要技術參數如表7-3所示。
立式螺旋卸料式離心機適用于分離含固相顆粒5μm以上的懸浮液的脫水和固相含量少的懸浮液的澄清,特別是固體顆粒濃度即顆粒變化范圍較大、固體相對密度較大的懸浮液的分離。如淀粉懸浮液脫水,回收植物蛋白,分離可可、咖啡、茶等慮漿,及魚油去雜=魚肉制取等。
2螺旋卸料式離心機的主要部件
轉鼓 轉鼓是螺旋卸料式離心機的關鍵部件之一,其主要結構參數包括轉鼓直徑D、轉鼓長度L、轉鼓錐角θ、轉鼓的溢流直徑D
u。轉鼓直徑D是轉鼓的**大內壁直徑。轉鼓長度L是沉降區長度L和脫水區長度L之和。這些參數直接影響到螺旋卸料式離心機的分離能力、處理能力和輸渣能力。
轉鼓有轉鼓體、大端軸頸和小段軸頸用止口噢誒和螺釘連接而成。轉鼓筒體可選用碳鋼、不銹鋼及玻璃鋼。如分離因數高又要求耐腐蝕,應選用高強度不銹鋼喉鈦合金材料制作。
轉鼓大端軸頸的凸緣上開有溢流口,分離液經此流出轉鼓。溢流口直徑決定液池的深度,直接影響離心機的分離能力和生產能力。為提高離心機對物料的適應性,溢流口徑位置應可調。
轉鼓小端的出渣口形式和耐磨性十分重要。出渣口與渣的摩擦強度比任何部分都大,因此易于磨損,為保護出渣口,通常采用噴涂耐磨材料后可拆換的耐磨襯套。轉鼓小端出渣口6外裝有左套環2和右套環3,兩套環由螺釘4夾緊在轉鼓1上,并使出渣口6于組合出渣口7同軸,出渣口6內裝有耐磨襯套5,襯套5可選用淬火鋼、鎢合金等耐磨性好的材料制造。襯套中套的環狀凸緣8裝在沉孔9中,以防止襯套做軸向運動。當襯套局部磨損后,可擰松螺釘4、襯套5轉動一定角度,使未磨損的部分工作,當襯套磨損嚴重不能再使用時,拆下套環2和3更換之。
螺旋輸送器 螺旋輸送器的作用是利用螺旋與轉鼓間的轉速差將沉降在轉鼓壁上的沉渣輸送到轉鼓小端的出渣口排出。連續整體螺旋主要部件由做軸頸、螺旋筒體和有軸頸組成。左、右軸頸上裝有軸承,通過它們裝在轉鼓的左、右軸頸內,以實現螺旋與轉鼓的同時同向但有速度差的旋轉運動。右軸頸上的事一對止推軸承以承受螺旋推渣時產生軸向力。左軸頸童工花鍵軸將差速器和螺旋連接起來。螺旋卸料式離心機工作時,特別是當物料中有泥沙甚**是沙粒存在時,例如分離礦料時,螺旋葉片會產生磨損,當物料有腐蝕性時尤甚。螺旋葉片磨損后,通常使螺旋的分渣能力降低。因此,要求螺旋葉片具有一定的耐磨性。螺旋葉片的本體材料一般與轉鼓相同,現有三種方法來增加螺旋葉片的耐磨性。①在葉片易磨損部位堆焊硬質合金(如鈷鉻,古鎳合金、碳化鎢等,以碳化鎢的耐磨性**好)。②采用表面噴涂技術,即在葉片易磨損部位噴涂耐磨材料如碳化鎢等。噴涂的方法有火焰噴涂、電弧噴涂、等離子噴涂、爆炸噴涂等。爆炸噴涂形成的涂層結合強度大、表面硬度高(如噴涂碳化鎢和鈷混合粉末時硬度HV=1300)、光潔度好、加工溫度低(一般在200°C以下),故螺旋變形小。③采用可更換的耐磨扇形片,即用可裝拆的耐磨扇形片作為螺旋外圈。#p#分頁標題#e#
③螺旋卸料式離心機的工作過程
電動機通過帶動轉動傳動裝置帶動轉鼓旋轉。行星差速器的輸出軸帶動螺旋輸送器與轉鼓作同向轉動,但轉速不同,其轉差率一般為轉鼓轉速的0.2%~3%,以產生螺旋輸送卸料作用。物料從右端的中心料管經進料孔進入轉鼓。在離心作用下,轉鼓內形成了一環形液池,重相顆粒離心沉降到轉鼓內表面形成沉渣,由于螺旋葉片與轉鼓的相對運動,沉渣被螺旋葉片輸送到轉鼓小端的干燥區,從排渣孔12連續甩出,澄清液從溢流孔11流出,經機殼的排液室排出。因此,螺旋卸料式離心機可連續工作。調節溢流板溢流口位置、機器轉速、轉鼓與螺旋輸送器的轉速差和進料速度,就可以改變沉渣的含濕量和澄清液的含固量。
螺旋卸料式離心機可用于回收晶體和聚合物、城市污泥及工業污泥脫水,也可用于分級操作。例如,用于高嶺土分級、去粗,10μm以上100%去除,2μm以下的產品達80%~85%。用于污泥脫水時,只能用大分子量聚合電解質作為絮凝劑時才能將污泥的含水率從95%以上降到60%~70%。
④螺旋卸料式離心機的特點
螺旋卸料式離心機與其他離心機比較,能自動、連續操作,單機生產能力大;對固體顆粒粒度和濃度的變化不敏感,因此,可以分離含固相顆粒粒度0.005~2㎜、固相濃度1%~50%(重量)的懸浮液;分離因數、轉鼓長徑比涉及范圍大,轉鼓液池深度可調,因此,對物料的適應性強,應用范圍廣。
但是螺旋卸料式離心機的沉渣含液量較高,雖然能對沉渣進行洗滌,但洗滌效果不好。另外,螺旋卸料式離心機轉速高,轉動件加工精度高,結構復雜,制造成本高。
⑤螺旋卸料式離心機的主要應用
脫水 對易分離物料,可以得到含液量較低的固體。對那些用過濾機和過濾離心機不可經行分離或分離效果極差的物料,可以通過選用適當工藝參數和結構參數的螺旋卸料式離心機來完成分離過程。
澄清 微細顆粒懸浮液可以采用分離因數高、長徑比大的螺旋卸料式離心機來完成。例如活性污泥,經絮凝劑處理后,用螺旋卸料式離心機分離,分離液的固相含量完全達到排放標準。
輕固相分離 即密度比水小的固體顆粒的分離。
液—液—固三相混合物的分離 固相濃度大于14%的液—液—固三相混合物用碟式分離機難以分離,一般用液—固和液—液兩個分離過程,而用螺旋卸料式離心機可以實現三相一次性分離。
固相顆粒粒度分級,可采用適當的分離因數和合理的結構來實現。
⑥常用的螺旋卸料式離心機
脫水型臥式螺旋卸料式離心機 這類離心機風分離因數一般小于3000,常采用處理易分離物料、即固體顆粒的自然沉降速度較快、沉渣較容易分離的懸浮液,如洗煤廠的浮選精礦和尾礦、聚氯乙烯、聚乙烯、聚乙烯醇、淀粉、食用油渣的混合液等。轉鼓呈錐形或柱——錐形,轉鼓長徑比較小,一般為1~2,直徑比較澄清型臥式螺旋卸料離心機大,轉鼓錐角20°~36°。錐角大,脫水分離因數高,有利于沉渣脫水。另外,轉鼓內液池淺,一般池深h與轉鼓半徑R之比為0.10~0.20.螺距較大,一般是螺旋直徑的1/2~1/5,以提高沉渣的輸送能力。
澄清型臥式螺旋卸料式離心機 這類離心機的分離因數一般大于3000,用于固體顆粒細微、滑膩的懸浮液(如活性污泥)等的澄清,特點是轉鼓呈柱—錐形或雙錐形,轉鼓長徑比一般為2.5~4,轉鼓錐角常小于20°(用于活性污泥處理時,轉鼓錐角小于8°,否則排渣困難)。轉鼓內的液池深度較深,一般h/R=0.2~0.4,螺旋輸送器的螺距較小,一般是螺旋直徑的1/5~1/6,有利于輸送滑膩的沉渣。
表7-5為Sarplers公司的臥式螺旋卸料離心機的技術參數。該離心機的直徑從150mm的小型機到家大于1m的超大型機。該離心機可用于淀粉乳脫水、果汁纖維分離、動植物油的凈化、大豆蛋白的脫水、味精的脫水、廚房用油的凈化等。
3.2.2多鼓式沉降離心機
如前所述,多鼓式沉降離心機轉鼓的排列為徑向排列。這樣,不但使空間利用率高,而且可以提高離心機的性能。單鼓式離心機內的物料徑向厚度達,要沉降的顆粒距離長,導致生產能力小或效率低。徑向排列多股式離心機由多個不同直徑的轉鼓同軸安裝,形成多個分離室(故也稱多室式離心機),使顆粒**大沉降距離從單轉鼓的整個液層厚度減為鼓于鼓之間的徑向間隙,大大減小了要顆粒沉降的距離,從而可顯著提高離心機的性能。缺點是結構較為復雜。
分局離心機內無聊的流動形式,徑向排列多鼓式沉降離心機有兩種類型:一種為并聯式,每一個分離式獨立進、出料;另一種為串聯式,物料shou先加到內分離室,然后逐級向外流動、分離。
(1) 多股并聯式沉降離心機
① 三轉鼓沉降離心機
結構:三轉鼓沉降離心機,亦稱三轉式離心機,有三個不同直徑的轉鼓組成。
進料:由一個進料歧管將進料分別輸給三個轉鼓。
排料:三個轉鼓獨立排料。
優點:減小沉降距離,增加停留時間,顧客在較低轉速(650r/min左右)下工作。
② 碟式離心機
結構:碟式離心機的轉鼓內有一組(有100或100個以上)錐形碟片,間距0.4~3mm,
錐角70°~100°。碟片上沿錐面周向有3個均布的進料孔(哦、孔徑6~13mm)和3條均布的筋以此形成碟片間隙。對于奶油分離機,筋高0.3mm~0.4mm;對于酵母分離機,筋高0.8~1mm。碟片與轉鼓同軸安裝,以相同的轉速旋轉。衛士轉鼓容量**大,一般轉鼓高度與直徑之比為1。碟片外徑與轉鼓**大內徑之比為3/4時,可得到**佳性能。#p#分頁標題#e#
工作流程:進料沿轉鼓中心引入(軸向進料),以薄層在碟片間沿徑向向內流動,在離心力的作用下,顆粒或重相沉積在錐形碟片下表面上,并向下向外滑動,**后甩到轉鼓壁上;液體或輕相向中心流動,以溢流流出。由于碟片將分離室分成若干層,縮短了顆粒所需完成沉降路程,從而縮短了沉降時間,加速了離心分離過程。這就是采用碟片的原因。
碟片離心機可用于固液分離和液液分離。用于固液分離時,固體顆粒的粒度范圍為0.5~500μm。由于液液分離時,可以來分離乳化液。由于液液混合物中常常含有固相,因此,碟式離心機用于固液分離和液液分離時都有排渣要求。
根據固體卸料方式,碟式分離機有人工排渣、環閥排渣和噴嘴排渣三種不同的結構形式。不同機型的碟式離心機,隨被分離物料的性質和分離要求的不同,分離效果和處理能力也不同。碟式離心機的基本技術參數有轉鼓直徑、轉速、當量稱將面積等。不同碟式離心機的基本蠶食如表7-6所示。
人工排渣型 亦稱固體保留型轉鼓結構簡單,間隙操作,人工卸料,用于處理固體濃度小于5%的懸浮液。固體的容量為5L~20L,常用于牛奶脫脂。固體保留型碟式離心機直徑約為150~300mm,轉速一般為5500~10000r/min。
噴嘴型 轉鼓為雙錐體,椎體周邊均勻分布的排渣噴嘴,能連續排渣,從而能連續操作。這種轉鼓能提供較大的固體存留空間。為了避免發生沉積固體積累或堵塞現象,并能獲得較濃的泥漿,噴嘴的數目和直徑需要精心的設計(噴嘴數一般為12~24,直徑為0.75~2mm)。底流分率一般為5%~50%。這種離心機可用于粘土、高嶺土、顏料、酵母、油、焦油、濕法磷酸的脫水、澄清,也可用于羊毛脂分離提取等,噴嘴排渣碟式分離機用于濃縮過程中,濃縮比可達5~20。這種分離機適用于處理固體顆粒粒度0.1~100μm、體積濃度6%~12%的懸浮液,**大處理能力可達300m
3/h。因通過噴嘴的流體流速很大,噴嘴需要耐磨材料如硬質合金、剛玉和碳化硼等制成。
環閥排渣型 環閥排渣型碟式離心機又稱自動 排渣或活塞排渣碟式分離機。轉鼓內有與其同軸的排渣活塞裝置,周邊有若干個一定圓弧長度的環槽排渣口。這種排渣口能比圓形排渣口排更粗、更粘稠的沉渣。根據固體沉積厚度,液壓作用,活塞可上下移動,自動啟閉排渣口—斷續自動排渣,也可以由定時器來控制排渣口的啟閉。
環閥排渣型碟式分離機為固體卸出型,分離因數5000~9000,適于處理固相顆粒0.1~500μm、濃度2%~6%、固液相密度相差大于0.01g/cm
3的懸浮液,亦可用于處理在剪切作用下容易破碎或解聚的固體,還可使不已壓實的固體得到較好濃縮脫水,以及各種汁液的澄清,等等。**大處理能力40m
3/h。
按液壓作用方式,環閥排渣型碟式離心機可分為間接泄壓式和直接作用式兩種。下面以間接泄壓式為例介紹環閥排渣型碟式離心機的基本結構及工作原理。
間接泄壓式環閥排渣型碟式離心機專門的泄水閥使活塞下腔內的水迅速寫呀,活塞在上下操作水腔室內液壓差的作用下,向下移動,經行排渣。泄水閥可徑向或軸向安裝。
轉鼓液封侯可開始加料,由于離心力作用,被分離的物料對活塞產生一個大的下推壓力。但由于活塞控制腔的水系作用在一個較大的半徑上,故操作水對活塞上推力要比物料產生的下推力大,使活塞能牢固控制地壓緊封圈,吧物料密封在轉鼓內經行操作。造物料分離過程中,控制腔要進入小量補充水,以補充因活塞密封圈密封不嚴的微小泄露,以及因轉鼓內物料溫度較高引起水蒸發而損失的水,從而保證分離過程中有穩定的操作水腔的壓力。
當分離一段時間后,沉渣聚集于轉鼓沉渣區達到一定量時(沉渣延及碟片大端直徑)從分離液質量變差或其他方法液叛變出。這是需要進行排渣過程。排渣時,先關閉加料閥,停止加料。轉鼓內加水把轉鼓內的輕液排完。液壓進水裝置將操作液通過通道進入泄水閥的小活塞3內,此處半徑大于控制腔的半徑,產生的離心壓力比控制腔處的大,所以操作水推動小活塞項轉鼓中心方向移動,使小閥頭2打開一個縫隙通道口,控制腔內的水便通過從口,從排水口排出,轉鼓內沉渣和料液的下推壓力使活塞下落,打開排渣孔,沉渣遂在離心力作用下派駐轉鼓外。
(2) 多股串聯式沉降離心機
結構:多股串聯式沉降離心機在一個密閉的轉鼓內分為阮干個同軸圓筒分離室,一般分為三個分離室。
工作流程:料液shou先從中間加入到**里面的分離室,進過**次沉降后,溢流到外層分離室進行沉降,依次進行下去。
優點:除了上述三鼓式沉降離心機的優點外,多股串聯沉降離心機還有一個分離作用。由于離心力與轉鼓直徑成正比,所以分離因數從里向外逐漸增大。因此,里面轉鼓上沉積的為粗顆粒,外面轉鼓上沉積的為細顆粒。