| 離心機是利用離心力分離液體與固體顆粒或液體與液體 | |||
| 的混合物中各組成成分的機械。 按結構和分離要求, 可把離心 | |||
| 機分為過濾離心機、沉降離心機和分離機 3 類, 它大量應用于 | |||
| 化工、食品、制藥、選礦、水處理、家電等*域。 離心機的動力通 | |||
| 常由電動機提供, 一般是交流電動機和直流電動機。 隨著電子 | |||
| 技術的發展, 由現代電子技術、控制理論和電機技術結合產生 | |||
| 的無刷直流電動機近年來正在以每年大約 15%的比例增加, 它 | |||
| 具有不易產生電弧, 可靠性高, 壽命長, 響應速度快, 起動轉矩 | |||
| 大等優點, 該系統采用直流無刷電機[ 1] 。 | |||
| 1 系統硬件設計 | 圖 1 離心機電制系統原理圖 | ||
| 系統工作原理如圖 1所示, 主要由帶霍爾傳感器的三相無 | 另外該系統可通過串口 RS-232與上位機連接實現相應 | ||
| 刷直流電機 (BLDC)、電機控制芯片 LM621、智能功率模塊 | 的數據輸出和各參數曲線的繪制。 | ||
| (IPM)6MBP15RH060、單片機 89E58 及其他外圍元件組成, 可 | 1.2 直流電機的驅動 | ||
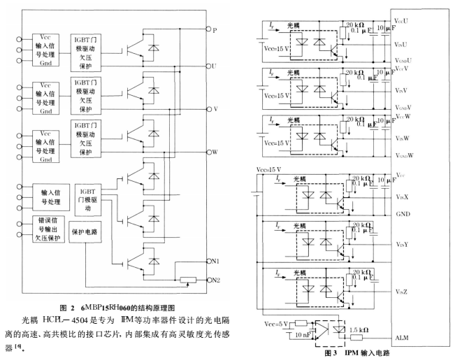
| 實現離心機的轉速、溫度、運行時間控制, 故障檢測和與上位機 | 智能功率模塊(IPM)相比于 IGBT與驅動電路的組合有許 | ||
| 數據通訊等功能。 | 多優點[ 4] , 它將驅動電路內置, 能在**佳設置條件下驅動 IG- | ||
| 1.1 電機控制與測速 | BT, 驅動電路與 IGBT的連線短, 驅動電路阻抗低, 無須反向偏 | ||
| 系統采用 LM621三相或四相無刷直流電機的專用集成芯 | 置電源[ 5] 。 電機功率為(300 V, 2.5 A), 考慮到裕量, 反向壓降 | ||
| 片, 帶有過流保護和欠壓保護的功能, 外部與 PWM信號相連, | 取 600 V, 導通電流取 15 A, IPM采用 6MBP15RH060。 該芯片 | ||
| 實現調速功能。 電機自帶的 3 個霍爾傳感器以 120°的角度分 | 內置的保護電路能提供過流保護、短路保護、欠壓保護、過熱保 | ||
| 布, 分別對應 3個輸出 H1, H2, H3 。 可直接連 LM621的 5, 6, 7 | 護、以及外部輸出警報等功能。 | ||
| 引腳, 信號 H1 接單片機引腳可獲得脈沖信號, 通過計算單位時 | 智能功率模塊 6MBP15RH060的內部結構原理如圖 2 所 | ||
| 示, 其內部集成了 6個帶續流二極管的 IGBT。 ALM管腳的作 | |||
| 間內脈沖的個數得到電機速度[ 2] 。 電機速度控制采用脈寬調 | |||
| 制(PWM)方法, 由單片機的 P3.4口引腳輸出脈沖信號, 通過 | 用是警報輸出, 當保護功能動作時, 警報輸出端子相對各基準 | ||
| 電位 GND導通, 警報信號輸出持續 2 ms.當警報原因消除, 經 | |||
| 調節占空比來改變輸給電機的有效電壓實現電機速度控制[ 3] 。 | |||
| 單片機通過控制與壓縮機相連的三通電磁閥完成離心室 | 過 2 ms以上的時間, 并且無輸入信號, 則警報解除。 | ||
| 芯片內部結構如圖 2所示, 從 LM621發出的脈沖通過光耦 | |||
| 的溫度調節。 | |||
| 隔離進入 6MBP15RH060, 這樣可以增強系統抗干擾能力, 而且 | |||
| 不會將直流母線上的電壓引入控制部分。 | |||



